
Product Introduction
We specialize in providing powder handling systems for powders, granules and tablets for industries such as food, nutrition products, pharmaceutical factories and chemicals.
·The Extraordinary IBC Technology
The IBC Blending System completes the powder conveying between various production processes through the IBC (movable transfer powder bin), and then conducts mixing.
·Processing Powders, Granules And Tablets In a Modular Way
Separating the manufacturing processes not only helps manufacturers build highly flexible and efficient production lines. Since each production process can be split into individual modules, it is convenient for future development and growth. New modules can be added according to requirements.
Introduction:
This IBC bin blender can automatically complete all actions such as lifting, mixing and lowering. Equipped with an automatic lifting mechanism and a bin mixer, along with multiple mixing bins of different specifications, it can meet the mixing requirements of large quantities and multiple varieties.
Since the bin is the mixing container, the loading, unloading and cleaning time is greatly shortened. The filling and emptying processes of the bin are carried out independently of the mixer, so there will be no shutdown due to cleaning or the risk of cross-contamination.
If you need to mix multiple batches, then the pharmaceutical container blender will enable you to efficiently produce a wide variety of formulas and batches.
Principle:
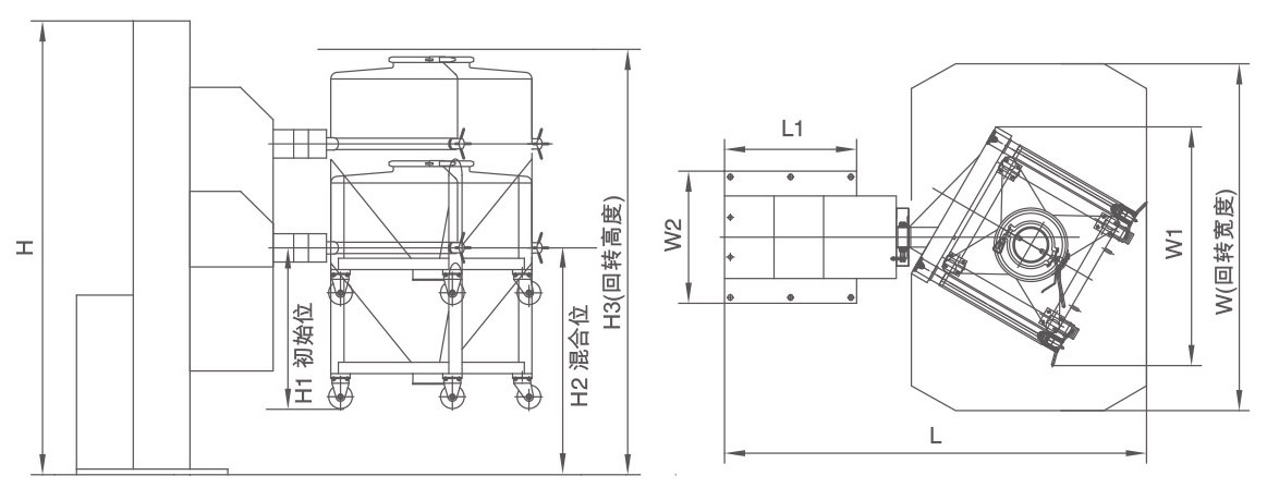
This container blender is composed of components such as columns, machine base, rotating fork frame, driving system, braking system, and control system. Push the mixing bin into the rotating fork frame and tighten the nut. Start the control system to lift the bin to the mixing height and position it reliably. The driving system automatically conducts mixing according to the set data such as time and rotation speed. After the mixing operation is completed, the rotating fork frame stops vertically, moves down to the ground, the whole machine stops, and the process data is printed. Loosen the tightening nut of the rotating fork frame, push the bin out and transfer it to the next process.
Features:
This ibc bin blender machine is a new model successfully developed by our company after extensively absorbing and digesting advanced foreign technologies and combining them with the national conditions. After the mixing is completed, the bin can be continuously lifted to the height required by the process, which is convenient for discharging materials. The whole machine has a reasonable structure, stable performance, and is easy to operate. There are no dead corners and no exposed screws. The rotating body (mixing bin) forms an angle of 30° with the axis of rotation. In addition to the materials in the mixing hopper tumbling with the rotating body, they also move tangentially along the hopper wall, generating strong flipping and high-speed tangential movement, thus achieving the best mixing effect. It adopts PLC full-automatic control, and is equipped with an infrared safety device and a discharge butterfly valve with an anti-misoperation device to ensure production safety. The materials can go through different process stages in the same container without the need for frequent processes such as transferring materials and adding materials. It effectively controls dust and cross-contamination, reduces material loss, controls material stratification, optimizes the production process, and fully complies with the GMP requirements for pharmaceutical production.
Application Fields:
Sports Nutrition, Beverages & Mixes, Bakery, Infant Nutrition, Animal Nutrition, Flavourings, Pharmaceutical, Chemical, Battery, Plant-Based Foods, Nutraceuticals.
Technical Parameters

Get a Free Quote

Advanced technology provides one-stop service for your enterprise
24/7 before-sales and after-sales services
Comprehensive technical support