HDT Series IBC Bin Blender | China's Bin Blender Leader Since 1984
High OEE IBC Bin Blender Machine for Pharma, Food & Chemical Industries | IBC Tumbler | Square Cone Mixer | Conta Blender Custom Solutions. As China's Bin Blender Leader since 1984, Guibao Group offers high-efficiency IBC bin blenders designed to boost OEE, ensure zero cross-contamination, and provide modular solutions for the pharmaceutical, food, and chemical industries.
Fast Batch Switch & Quick Variety Shifts with Replaceable IBC Bins
- Fully automatic process: With one-key start, the whole process of lifting, clamping, blending, and lowering is completed automatically without manual intervention, greatly reducing labor intensity. This enables rapid IBC feed, mix & transfer, and fast batch switch.
- PLC intelligent control: Equipped with a touch screen HMI, parameters such as blending time and rotating speed can be set precisely. Process data can be automatically recorded and printed to meet traceability requirements.
- Flexible production adaptability: One main machine can be equipped with multiple replaceable bins of different specifications, easily meeting large-batch and multi-variety blending requirements. This modular IBC cage blender design ensures high OEE and parallel mixing capabilities.
- Precise positioning and braking: The rotating body can stop vertically automatically after blending. The braking system responds quickly to ensure operation accuracy.
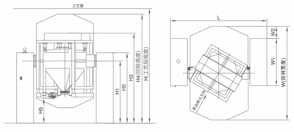
Maximize Production OEE with High-Efficiency IBC Bin Blending
- Unique blending principle: The rotating body of the IBC tumbler is designed at a 30° angle to the axis, so materials undergo strong flipping and high-speed tangential movement at the same time, achieving high blending uniformity.
- Anti-segregation design: Optimized bin blending trajectory effectively controls material segregation and ensures consistent composition after blending.
- Low material loss: Multiple processes are completed in the same container, reducing material transfer and feeding steps and lowering material loss rate.
Zero Cross-Contamination & Zero Clean Solution Between Batches
- Fully enclosed design: No exposed screws on the whole machine. Materials are blended in a closed environment, effectively controlling dust pollution and ensuring zero cross-contamination.
- Containerized production: Materials are blended, transferred and processed in the same bin, avoiding contact with the outside and ensuring product purity.
- Easy-to-clean structure: The pharma bin blender is designed in strict compliance with cGMP requirements, offering zero clean solutions between batches. It is easy to clean with no dead corners for residue, meeting high-cleanliness production needs.
Offline Loading & Unloading: Parallel Mixing Without Machine Downtime
- Infrared safety device: Prevents injuries caused by accidental contact during operation.
- Anti-misoperation discharge butterfly valve: Avoids material leakage or production accidents caused by improper operation.
- Pressure sensor monitoring: Real-time monitoring of bin clamping status to ensure safe and stable mobile IBC blending.
- Braking system guarantee: Fast braking after blending eliminates potential safety hazards caused by inertial movement of the rotating body.
Pharma Grade IBC Bin Blender for Pharmaceutical Industry
- cGMP compliant design: Specifically engineered for pharmaceutical industry requirements, ensuring full compliance with strict regulatory standards.
- Data traceability: Full process data recording and printing capabilities meet pharmaceutical production traceability requirements.
- High cleanliness production: Zero clean solution between batches, no dead corners for residue, ideal for pharma bin blender applications.
- Total blending applications: Suitable for total blending of granules and powders, granules and granules, powders and powders in solid preparation production.
Optimized Structural Design, Convenient Maintenance
- Stable and reliable: Adopting advanced foreign technologies with reasonable structure, stable performance and low failure rate.
- Easy maintenance: Modular design facilitates daily maintenance and reduces equipment operation and maintenance costs.
- Long service life: High-quality materials and precision manufacturing ensure long-term stable operation of the square cone mixer and container blender.
Wide Application Range & Strong Adaptability
- Pharmaceutical industry: Total blending of granules and powders, granules and granules, powders and powders in solid preparation production.
- Chemical industry: Uniform blending of various powder materials.
- Food industry: Blending of food additives, seasonings and other materials.
Contact Us Today
As one of China's leading IBC bin blender specialists, we are ready to provide customized IBC bin blending solutions tailored to your production needs. Get in touch with us now to learn more about our HDT series IBC bin blenders, request a quote for laboratory or industrial bin blenders, and discuss your specific requirements.













